附近约学生一晚上100块软件-附近学生200元一个小时,附近学生400块钱三小时,寻花楼楼凤兼职论坛

当前位置: 充换电网 » 行业政策法规 » 充换电政策 » 正文

2026年11月起执行!GB 46519—2025划定电动汽车供电设备能效红线

日期:2025-10-15    来源:充换电头条

国际充换电网

2025
10/15
17:47
文章二维码

手机扫码看资讯

关键词: 充电桩 充电设备 电动汽车充电设备


充换电头条获悉,GB 46519—2025《电动汽车供电设备 能效限定值及能效等级》由国家市场监督管理总局、国家标准化管理委员会于2025年10月5日发布,2026年11月1日实施。

该标准规定电动汽车供电设备(含直流、交流供电设备)的能效等级、能效限定值及测试方法,适用于特定电压范围的非车载传导式供电设备,明确排除部分类型设备。

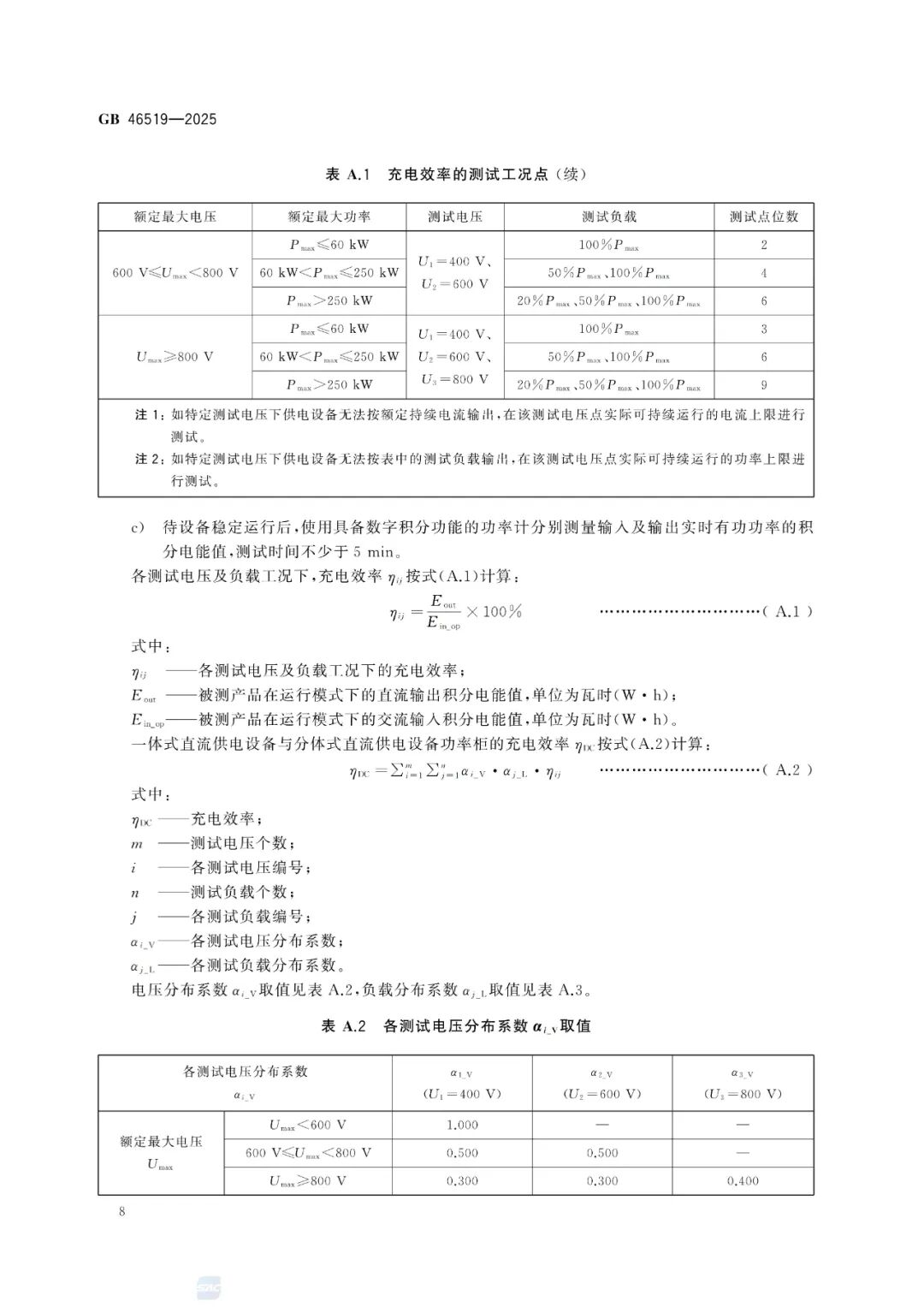
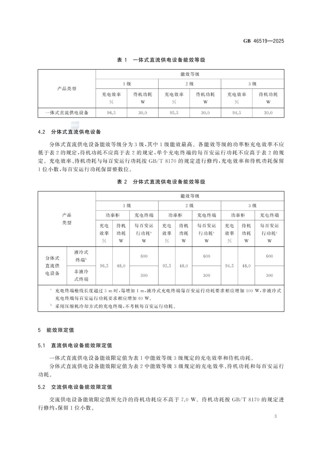
其中,直流供电设备分一体式与分体式,能效等级均为 3 级(1 级最高),分别规定充电效率、待机功耗等指标;交流供电设备限定待机功耗不超 7.0W。

测试方法含直流设备(附录 A)与交流设备(附录 B)的具体流程,实施上对标准发布前出厂产品设13个月过渡期,为电动汽车供电设备能效管控提供统一规范,助力行业绿色高质量发展。

具体内容如下:



来源:全国标准信息公共服务平台

返回 国际充换电网 首页

能源资讯一手掌握,关注 "充换电头条" 微信公众号

看资讯 / 读政策 / 找项目 / 推品牌 / 卖产品 / 招投标 / 招代理 / 发文章

扫码关注

0条 [查看全部]   相关评论

国际能源网站群

国际能源网 国际新能源网 国际太阳能光伏网 国际电力网 国际风电网 国际储能网 国际氢能网 国际充换电网 国际节能环保网 国际煤炭网 国际石油网 国际燃气网